LEYES DE KIRCHOFF EJERCICIOS RESUELTOS PDF
El circuito eléctrico está constituido por
☛ Resistores: R1, R2, R3
☛ Fuente de voltaje: ξ
☛ Conductores de unión (R=0)
Un circuito puede tener más componentes, ya sean complejos o sencillos.
PRIMERA LEY KIRCHHOFF
La suma de corrientes que llegan al nodo es igual a la suma de las corrientes que salen de él.
SEGUNDA LEY KIRCHHOFF
La diferencia de potencial entre dos puntos de una rama es igual a la suma diferencias de potencial que se encuentran entre esos puntos.
PREGUNTA 1
El gráfico es parte de un circuito eléctrico. Determine la intensidad de corriente eléctrica que pasa por la fuente de 5V.
A) 4A
B) 5A
C) 1A
D) 6A
E) 2A
Resolución
Rpta. : "A"
PREGUNTA 2
Se muestra parte de un circuito eléctrico. Si I1=4I2, calcule I1
A) 5 A
B) 2 A
C) 3 A
D) 1 A
E) 4 A
Resolución
Rpta. : "E"
PREGUNTA 3
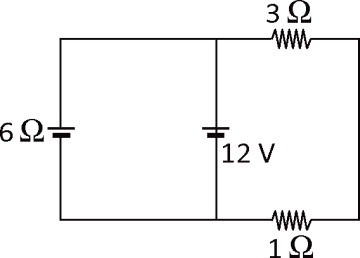
Determine la intensidad de corriente eléctrica que circula por la fuente de voltaje de 12V.
A) 2A
B) 1A
C) 5A
D) 4A
E) 6A
Resolución
Rpta. : "C"
PREGUNTA 4
En el circuito mostrado, calcule la intensidad de corriente.
A) 4 A
B) 2 A
C) 3 A
D) 5 A
E) 1A
Resolución
Rpta. : "E"
PREGUNTA 5
En el circuito mostrado, calcule la intensidad de corriente que pasa por la resistencia de 5Ω.
A) 4A
B) 2A
C) 3A
D) 6A
E) 1A
Resolución
Rpta. : "E"
PREGUNTA 6
Se muestra parte de un circuito eléctrico. Calcule la diferencia de potencial eléctrico entre a y b
A) 20 V
B) 8 V
C) 5 V
D) 10 V
E) 12 V
Rpta. : "D"
PREGUNTA 7
A partir del gráfico mostrado, determine la intensidad de corriente eléctrica que pasa por la resistencia R.
A) 3 A
B) 4 A
C) 1 A
D) 7 A
E) 2 A
Rpta. : "E"
PREGUNTA 8
Una fuente de voltaje de 26 V se conecta a un conjunto de resistencias. Determine la intensidad de corriente que pasa por la resistencia de 5 Ω.
A) 2 A
B) 4 A
C) 3 A
D) 1 A
E) 5 A
Rpta. : "B"
PREGUNTA 9
En el circuito mostrado, la intensidad de corriente eléctrica que circula es de 1,5 A. Determine ξ.
A) 3 V
B) 6 V
C) 5 V
D) 9 V
E) 4 V
Rpta. : "B"
PREGUNTA 10
Indicar verdadero (V) o falso (F) según corresponda:
I) La primera ley de Kirchoff es la de los nudos.
II) Un amperímetro se debe colocar en paralelo al elemento que queremos medir.
III) Si un punto de un circuito esta unido a tierra, su potencial eléctrico será cero.
a) VVV
b) VFF
c) FFV
d) VFV
e) FFF
PREGUNTA 11
Respecto al amperímetro, que proposiciones son verdaderas:
I) Se emplea para medir corrientes.
II) Un amperímetro ideal tiene resistencia interna cero.
III) Se debe conectar en paralelo al elemento a medir.
A) Sólo I
B) Sólo II
C) Sólo III
D) I y II
E) I y III
PREGUNTA 12
Indicar verdadero (V) o falso (F) según corresponda:
I) En un camino cerrado la sumatoria de las diferencias de potencial es igual a cero.
II) Si una corriente ingresa por el borne negativo de la pila y sale por el positivo pierde energía.
III) En una resistencia siempre la diferencia de potencial será negativa.
a) VFV
b) VVV
c) FVV
d) VVF
e) FFV
Hasta ahora hemos estudiado circuitos simples con una sola fuente, los cuales se resolvían aplicando la ley de Ohm, luego nos toca estudiar circuitos con dos o más fuentes y uno o mas caminos para la corriente.
Para poder resolver estos circuitos necesitamos aplicar las leyes de Kirchoff.
REGLAS DE KIRCHHOFF
Las reglas (algunos las llaman leyes) de Kirchhoff sirven para componer un sistema de ecuaciones en el que se hallan las intensidades de corriente para el circuito o red eléctrica de cualquier grado de complejidad.
PRIMERA REGLA
La suma de corrientes que llegan al nodo es igual a la suma de corrientes que salen de él .
En todo nudo se puede verificar la conservación de la carga eléctrica.
Esta ecuación se puede escribir en forma algebraica considerando con signos a las intensidades de corriente.
(–) : Si la corriente sale del nodo.
(+) : Si la corriente ingresa al nodo.
SEGUNDA REGLA (REGLA DE MALLAS)
La suma de los valores algebraicos de la f.e.m. en cada trayecto cerrado es igual a la suma de los productos de los valores algebraicos de las intensidades de las corrientes por la resistencia de las secciones correspondientes de cada uno de los trayectos cerrados.
MALLA
Es un circuito eléctrico cerrado sencillo, por ejemplo: AMBCA.
En toda malla se verifica la conservación de la energía eléctrica.
TEOREMA DE LA TRAYECTORIA
De acuerdo a Kirchoff, las baterías entregan energía al circuito y las resistencias consumen esta energía.
EN UNA RESISTENCIA
Siguiendo el sentido de la corriente, la energía y el potencial eléctrico disminuyen (–IR) en una resistencia.
Matemáticamente, la caída o disminución de potencial es:
V = –IR
DIFERENCIA DE POTENCIAL ENTRE DOS PUNTOS DE UN CIRCUITO
Para hallar la diferencia de potencial entre dos puntos cualesquiera de un circuito, se inicia un recorrido en un punto hasta llegar al otro punto final siguiendo cualquier trayectoria
REGLAS DE KIRCHOOF
Las conexiones en serie o en paralelo de los resistores en la forma más sencilla de asociarlos; en las instalaciones eléctricas domiciliarias, por ejemplo, todos los aparatos están conectados en paralelo, en cambio en los circuitos electrónicos las conexiones son mucho más complejas.
El presente capítulo nos permitirá conocer la forma más general de analizar un circuito eléctrico independientemente de su complejidad.
Las leyes de los circuitos eléctricos están basadas en dos leyes más generales: la ley de conservación de la carga eléctrica y la ley de conservación de la energía.
Las leyes de los circuitos eléctricos son conocidas también como las leyes de Kirchoff.
PRIMERA LEY KIRCHOF
Basada en la ley de conservación de la carga eléctrica; establece que la suma de intensidades de las corrientes que llegan a un nudo es igual a la suma de las intensidades de las corrientes que salen de él.
SEGUNDA LEY KIRCHOF
Basada en la ley de conservación de la energía; establece que en todo recorrido cerrado para la corriente eléctrica, la suma de diferencia de potencial es cero.







































































